Реле напруги ZUBR D6-63 red - 3-фазне

  • Реле напруги ZUBR D6-63 red - 3-фазне
    • 8956
    • Офіційний дистриб'ютор. Оптові продажі. Обмін/повернення.
      Співробітництво: Електрики, Дизайнери, Будівельні компанії...!

      Консультації. Підбір аналогів. Прорахунок специфікації.
      Важко вибрати електрику? Напишіть нам – допоможемо!

      Знижки! При замовленні від 1000 грн.
      Замовте на суму понад 1000 грн. і менеджер надасть знижку!

      Оплата. Зручним для Вас способом!
      При отриманні, переказ на картку, безготівка для фіз. та юр. осіб!

      Гарантія. 12 місяців від виробника.
      Надаємо гарантію від виробника на термін 12 місяців!

Опис реле напруги ZUBR D6-63 red

Реле захисту напруги ZUBR D6-63 red має 2 режими роботи. Може працювати як три однофазні реле в одному корпусі з незалежними налаштуваннями та як трифазне реле.
Комутація здійснюється внутрішніми силовими реле, відповідно, додатковий контактор, як в моделі ZUBR 3F, не потрібен.
Компактні розміри реле напруги ZUBR D6-63 red (займає всього 6 модульних місць) дозволяють вважати його найкомпактнішим серед аналогічних по параметрах та функціях моделей.

Основні параметри реле Зубр

  • Номінальний струм: 3х63 А
  • Спосіб монтажу: реле напруження встановлюється на стандартну DIN-рейку (в щиток).
  • Кількість фаз: 3 ф. (230/380 Вольт), 1 ф. (230 Вольт)
  • Тепловий захист: Так
  • TrueRMS: Так
  • Проф. затримка відключення: Так
  • Нижня межа напруження: 1 20-210V~
  • Верхня межа напруження: 220-280V~
  • Номінальна потужність навантаження: 3 x 13 900 ВА

Два режими роботи

Реле напруги ZUBR D6 red призначене для захисту побутового та промислового електроустаткування (в т.ч. трьохфазних електродвигунів) та може працювати в режимах: однофазного або трьохфазного навантаження.

В режимі однофазного навантаження реле захисту від критичних стрибків навантаження в мережі та у випадку аварії на одній з фаз, буде увімкнена тільки аварійна фаза. В такому режимі ZUBR D6 red можна використовувати замість трьох однофазних реле!

В режимі трьохфазного навантаження реле захищає від критичних стрибків напруження в мережі, асиметрії, обриву фаз (функцію можна вимкнути), контролює порядок чергування фаз (функцію можна вимкнути) та у випадку аварії на одній з фаз, будуть вимкнені всі фази. В такому режимі реле захисту ZUBR D6 red можна використовувати замість трьохфазного реле з контактором!

Під час роботи реле вимірює та відображає діюче значення напруги на кожній з фаз. Всі налаштування та значення аварійних вимкнень зберігаються в енергонезалежній пам’яті.

Переваги 3-фазного реле напруги ZUBR D6 red

Вигідне рішення та 6 модулів у щиті ZUBR D6 red фінансово вигідніше, ніж три однофазні реле напруження. До того ж воно компактне та займає 6 стандартних модулів у розподільчому щитку. Його монтаж відбувається в розподільчий щиток на стандартну DIN-рейку шириною 35 мм. Якщо в приміщенні підвищена вологість або існує вірогідність потрапляння води на пристрій, тоді щиток має відповідати класу захисту IP55 (згідно ГОСТ 14254).

Точність заміру та професіональна модель вимкнення навантаження.
Контролер напруги ZUBR D6 red використовує метод заміру напруги в мережі — True RMS. Він значно знижує вплив мережевих перешкод на точність заміру напруги, коли форма напруги відрізняється від синусоїди.

ВАЖЛИВО! Якщо ви звіряєте показання реле з вашим вимірювальним пристроєм, перевірте, щоб принцип заміру вашого пристрою також був True RMS. Інакше, показання реле та вашого замірювального пристрою можуть відрізнятись. Якщо ви все ж більше довіряєте своєму замірювальному пристрою, то показання реле можна відкорегувати поправкою в показаннях напруги на екрані реле ±20 В.

Ви можете застосувати професіональну модель затримки часу вимкнення. Вона дозволяє не вимикати обладнання при безпечних по величині та тривалості відключення напруги.

Безпека та комфорт у використанні

  • Реле напруги ZUBR D6 red оснащені захистом від перегріву. Вона активується, якщо температура всередині корпуса перевищить 70 °С.
  • Ви можете подивитись температуру всередині корпуса у будь-який момент, для моніторинга стану реле.
  • Ви можете заблокувати кнопки керування реле, щоб ніхто випадково не змінив параметри його роботи.
  • Ви можете відключити екрани реле в режимі очікування, щоб комфортно використовувати реле в житловому приміщені. У випадку аварії на будь-якій з фаз, екран буде мерехтіти.
  • Додаткова безпека обладнання, яке захищають.
  • В реле ZUBR D6 red реалізовані нові функції, використання яких, додатково попередить вихід зі строю техніки, яку захищають за рахунок зменшення повторних реле, що спрацьовують:
    • Максимальна кількість спрацьовувань захисту, що регулюється.
    • Гістерезис по напрузі, що регулюється.

Журнал аварійних спрацьовувань

Журнал може зберігати в енергонезалежній пам’яті 99 останніх аварійних спрацьовувань (наприклад, напруга при вимкненні реле або спрацьовування термозахисту). Щоб оцінити стан та якість вашої електромережі, ви можете обнулити журнал вручну.
Так можна проаналізувати характер та частоту аварій за певний проміжок часу. Журнал також скидається при зміні режиму роботи реле (однофазної та трифазної напруги).

Технічні характеристики ZUBR D6 red

  • Категорія продукції: Реле напруги
  • Тип реле: Полярізовані
  • Мережа: Трьохфазна
  • Струм, А: 3х63
  • Спосіб монтажу: На DIN-рейку
  • Кількість фаз: 3 ф. (230/380 Вольт), 1 ф. (230 Вольт)
  • Термозахист: Так
  • TrueRMS: Так
  • Проф. затримка відключення: Так
  • Нижня межа напруги: 120-210 В
  • Верхня межа напруги: 220-280 В
  • Номінальна потужність навантаження: 3 x 13 900 ВА
  • Час вимкнення навантаження при зниженні напруги: 0,1-10,0 з (>120 В), не більше 0,04 з (<120В)
  • Час відключення навантаження при перевищені напруги: не більше 0,04 с
  • Час затримки увімкнення навантаження: 3-600 с. Перегин (асиметрія) фаз: 10-80 В
  • Час вимкнення при перекосі фаз: 0-30 с
  • Напруження живлення: 3 х 100–420 В ~ 50 Гц Маса:0,43 кг ±10%
  • Габаритні розміри (Ш х В х Г): 106 х 85 х 66 мм
  • Кількість комутацій під навантаження, не менше: 10 000 циклів
  • Кількість комутацій без навантаження, не менше: 500 000 циклів
  • Ступінь захисту по ГОСТ 14254: IP20
  • Міцність, ВА: більше 10 000

Комплект поставки:

  • Реле - 1 шт.
  • Гарантійний талон - 1 шт.
  • Інструкція та техпаспорт - 1 шт.
  • Упаковочна коробка - 1 шт.

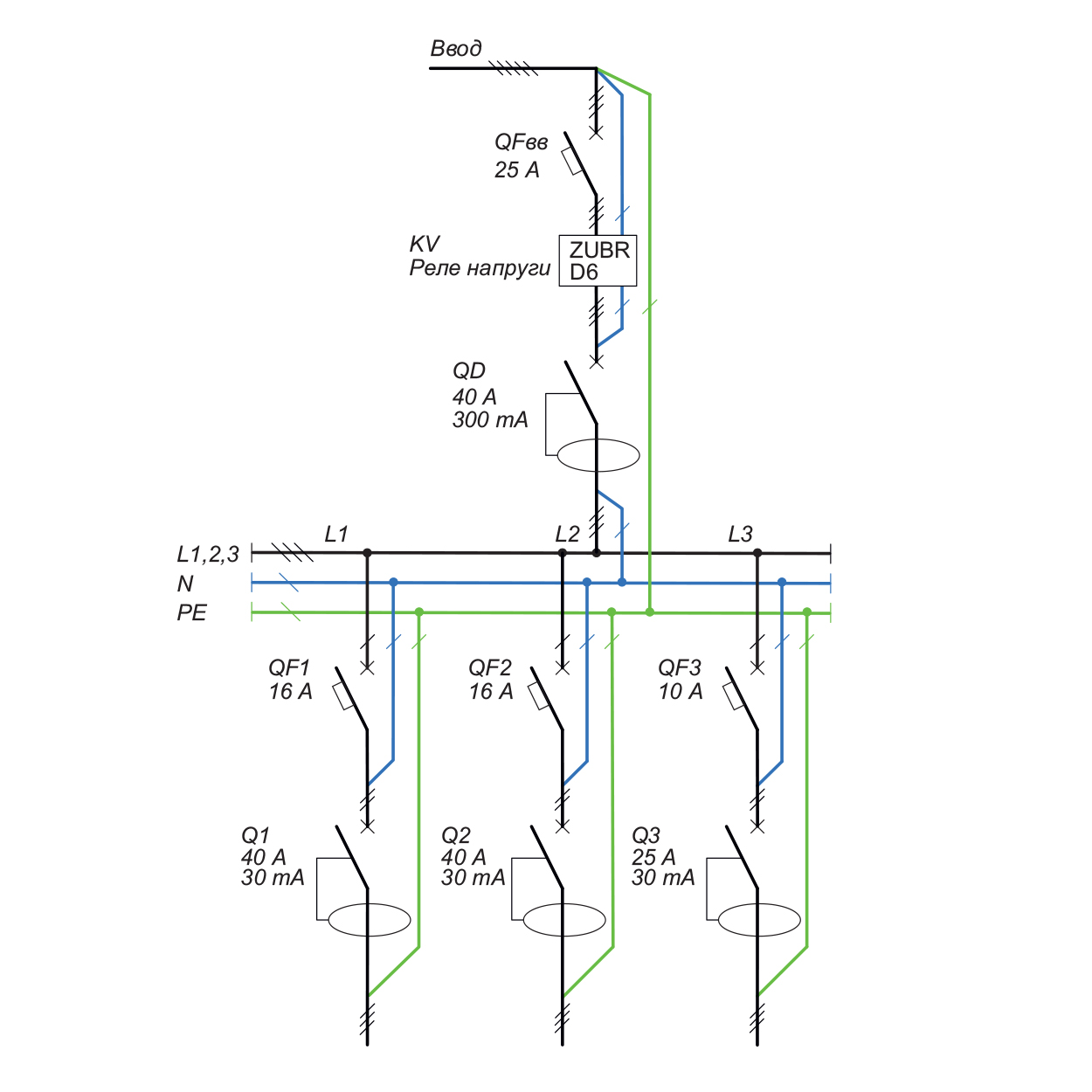
Схеми підключення

Для коректної роботи реле напруження ZUBR D6 досить і приєднати нейтраль на одну з нульових клем реле (4 або 8).

Загальна схема підключення реле

Як підключить реле напруження ZUBR D6-63 red

Варіант підключення 1

Схема 1. Варіант підключення з УЗО, автоматичного вимкнення з транзитом нуля через пристрій до трьохфазного навантаження.

ZUBR D6-63 red купити у Києві відгуки

Варіант підключення 2

Схема 2. Варіант підключення з УЗО, автоматичного вимикача з транзитом нуля через пристрій до трьох однофазних навантажень (споживачів).

купити ZUBR D6-63 red схеми підключення реле

  • Пропозиція: Standart, Professional
  • Особливості: Термозахист
  • Призначення: Побутове, Промислове
  • Тип товару: Реле
  • Номінальний струм, А: 63
  • Мережа: 3 фази
  • Номінальний струм комутації: 63 А
  • Основні функції реле: Контроль напруги, Контроль обриву фаз, Багатофункціональне, Контроль чергування фаз, Контроль перекосу фаз, Затримка спрацьовування
  • Місце встановлення: У електрощиток
  • Номінальна напруга, V: 220, 230
  • Контакт: 1НО
  • Верхня межа відключення (Umах): 280
  • Нижня межа відключення (Umin), V: 120
  • №1. Принцип роботи реле напруги. №2. Правила вибору реле напруги. №3. Функціональність та налаштування реле напруги. №4. Керування реле напруги через Wi-Fi. №5. Реле напруги чи стабілізатор: що краще вибрати? Реле напруги, також відоме як ...
    Тематика: Реле
  • №1. Схема підключення реле напруги Зубр із транзитом нуля та без | 1Ф: 40, 50, 63 А. №2. Схема підключення реле напруги Зубр 1Ф: 25, 32, 40, 50, 63 А. №3. Підключення реле напруги Зубр 3Ф: 40, 50, 63 А. №4. Схема підключення реле напруги Зубр 3F...
    Тематика: Реле
Задати питання Написати відгук

Переглянуті товари: