Реле напруги ZUBR D63 - 1-ф, 63А
-
-
8947
Офіційний дистриб'ютор. Оптові продажі. Обмін/повернення.
Співробітництво: Електрики, Дизайнери, Будівельні компанії...!Консультації. Підбір аналогів. Прорахунок специфікації.
Важко вибрати електрику? Напишіть нам – допоможемо!Знижки! При замовленні від 1000 грн.
Замовте на суму понад 1000 грн. і менеджер надасть знижку!Оплата. Зручним для Вас способом!
При отриманні, переказ на картку, безготівка для фіз. та юр. осіб!Гарантія. 12 місяців від виробника.
Надаємо гарантію від виробника на термін 12 місяців!
-
Опис та характеристики реле ZUBR D63
Реле напруги ZUBR D63 призначені для захисту обладнання від надмірних коливань напруги в мережі.
Застосовується в однофазних мережах змінного струму (230 В).
При настанні аварійної ситуації реле відключає навантаження.
Тип реле: Поляризоване.
Номінальна напруга живлення: 100–420 В.
Основні параметри реле Зубр
- Тип монтажу: в щит на дин–рейку.
- Тип мережі: однофазна.
- Діапазон регулювання вихідної напруги: 120–280 V.
- Номінальний струм: 63 Ампера (13900 Вт).
Особливості
- Затримка включення до стабілізації напруги.
- Запам'ятовування аварійного напруги в незалежній пам'яті.
- Корпус з негорючого полікарбонату.
Параметри налаштування реле Zubr
- Нижня межа напруги: 120–210 В
- Верхня межа напруги: 220–280 В
- Номінальна потужність навантаження: 13 900 ВА (63А)
- Тайм–аут навантаження при зниженні напруги: не більше 1,2 с
- Тайм–аут навантаження при перевищенні напруги: 0,04 с
- Номінальний струм навантаження: 63 А (макс. 80 А протягом 10 хв.)
- Час затримки включення навантаження: 3–600 сек.
Налаштування реле ZUBR D63
- Для переходу по меню використовуйте середню кнопку.
- Для зміни параметрів використовуйте кнопки «+» і «–». Перше натискання на кнопки викликає миготіння параметра, наступне – зміна.
- Через 5 секунд після останнього натискання кнопок відбувається повернення до індикації напруги мережі.
Підключення до мережі
Схема варіант 1
Спрощена внутрішня схема реле і схема підключення.
p>
Схема варіант 2
Схема підключення реле напруги ZUBR D63 з автоматичним вимикачем і ПЗВ.
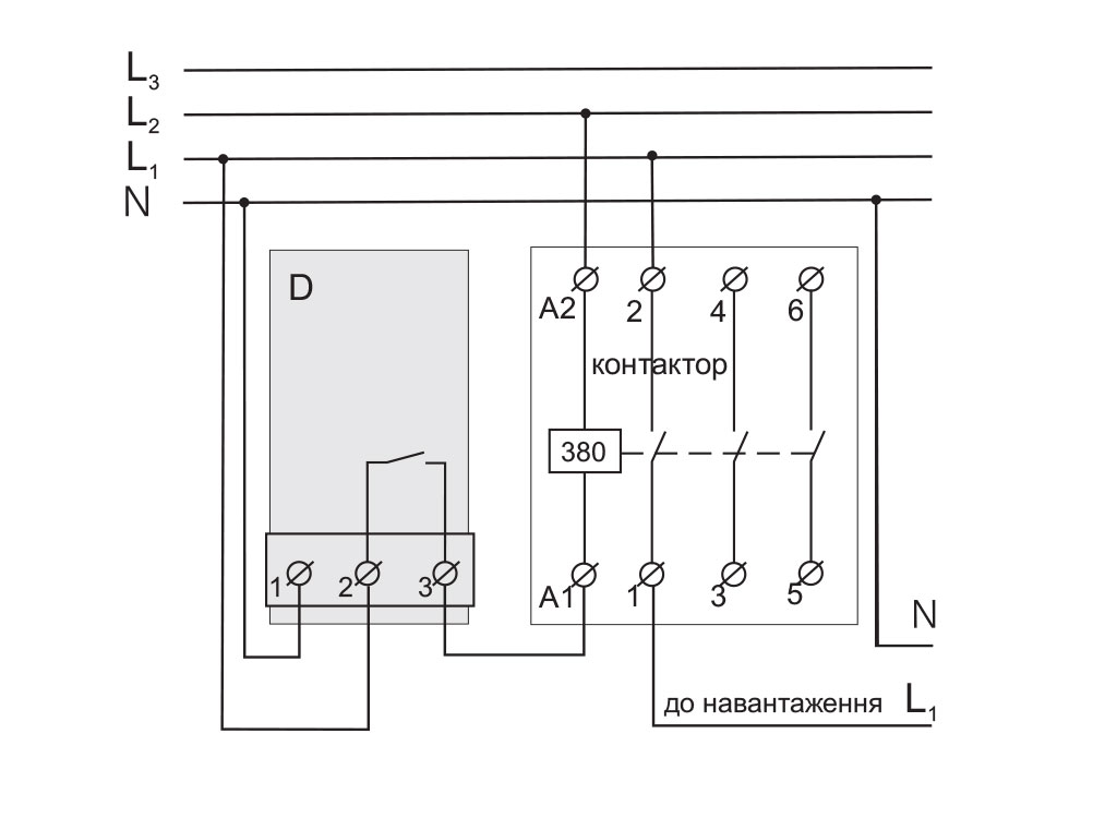
Схема варіант 3
Схема підключення реле напруги і модульного контактора з обмоткою 230V.
Схема варіант 4
Схема підключення реле напруги і контактора з обмоткою 380V.
Додаткові характеристики
- Споживання струму: не більше 86 мА
- Переріз дроту: не більше 16 мм?
- Маса: 0,21 кг ±10%
- Габаритні розміри (Ш х Д х Г): 53 х 85 х 70 мм
- Кількість комутацій під навантаженням, не менше: 100 000 циклів
- Кількість комутацій без навантаження, не менше: 1 000 000 циклів
- Ступінь захисту: IP20
Комплектація реле
- Реле
- Гарантійне свідоцтво
- Гарантійний талон
- Технічний паспорт
- Інструкція
- Пакувальна коробка
- Пропозиція: Standart
- Призначення: Побутове
- Тип товару: Реле
- Номінальний струм, А: 63
- Мережа: 1 фаза
- Номінальний струм комутації: 63 А
- Основні функції реле: Контроль напруги
- Місце встановлення: У електрощиток
- Номінальна напруга, V: 220, 420
- Контакт: 1НО
- Верхня межа відключення (Umах): 280
- Нижня межа відключення (Umin), V: 120
- Сертифікати: Сертифікація CE – європейська відповідність.
-
№1. Принцип роботи реле напруги. №2. Правила вибору реле напруги. №3. Функціональність та налаштування реле напруги. №4. Керування реле напруги через Wi-Fi. №5. Реле напруги чи стабілізатор: що краще вибрати? Реле напруги, також відоме як ...Тематика: Реле
-
Схеми підключення реле напруги Зубр
№1. Схема підключення реле напруги Зубр із транзитом нуля та без | 1Ф: 40, 50, 63 А. №2. Схема підключення реле напруги Зубр 1Ф: 25, 32, 40, 50, 63 А. №3. Підключення реле напруги Зубр 3Ф: 40, 50, 63 А. №4. Схема підключення реле напруги Зубр 3F...Тематика: Реле