Реле контролю мінімальної напруги 1P+N / 3P+N, 2ПК, Hager (Хагер) EUU200

  • -20%
    • 9647
      6 027.00грн 4 821.60грн
    • Офіційний дистриб'ютор. Оптові продажі. Обмін/повернення.
      Співробітництво: Електрики, Дизайнери, Будівельні компанії...!

      Консультації. Підбір аналогів. Прорахунок специфікації.
      Важко вибрати електрику? Напишіть нам – допоможемо!

      Знижки! При замовленні від 1000 грн.
      Замовте на суму понад 1000 грн. і менеджер надасть знижку!

      Оплата. Зручним для Вас способом!
      При отриманні, переказ на картку, безготівка для фіз. та юр. осіб!

      Гарантія. 12 місяців від виробника.
      Надаємо гарантію від виробника на термін 12 місяців!

Реле Hager контролює змінну напругу в 1- або 3-фазних мережах (кожна фаза щодо нейтрального провідника) при зниженій напрузі.
— Реле має фіксоване налаштування порога зниженої напруги Us та фіксований гістерезис H.
— Напруга живлення: 3(N)~ 400/230В
— Номінальна напруга (Un): 230V~
— Номінальна частота змінного струму: 50...60 Гц.
— Контакт: 2ПК
— Комутаційна здатність контакту: 1250 VA (5 A / 250 V ~).
— Поріг перемикання (Us): 195 V~

Призначення реле Hager

Контролює мінімальну напругу в 3-х і 1-фазній мережі з фіксованими пороговими значеннями.
Контакт реле перемикається за значення напруги 0,85% від номінального (Us=Un x 0.85).
Контрольний індикатор на реле дає інформацію про стан пристрою.

Артикул виробника: EUU200

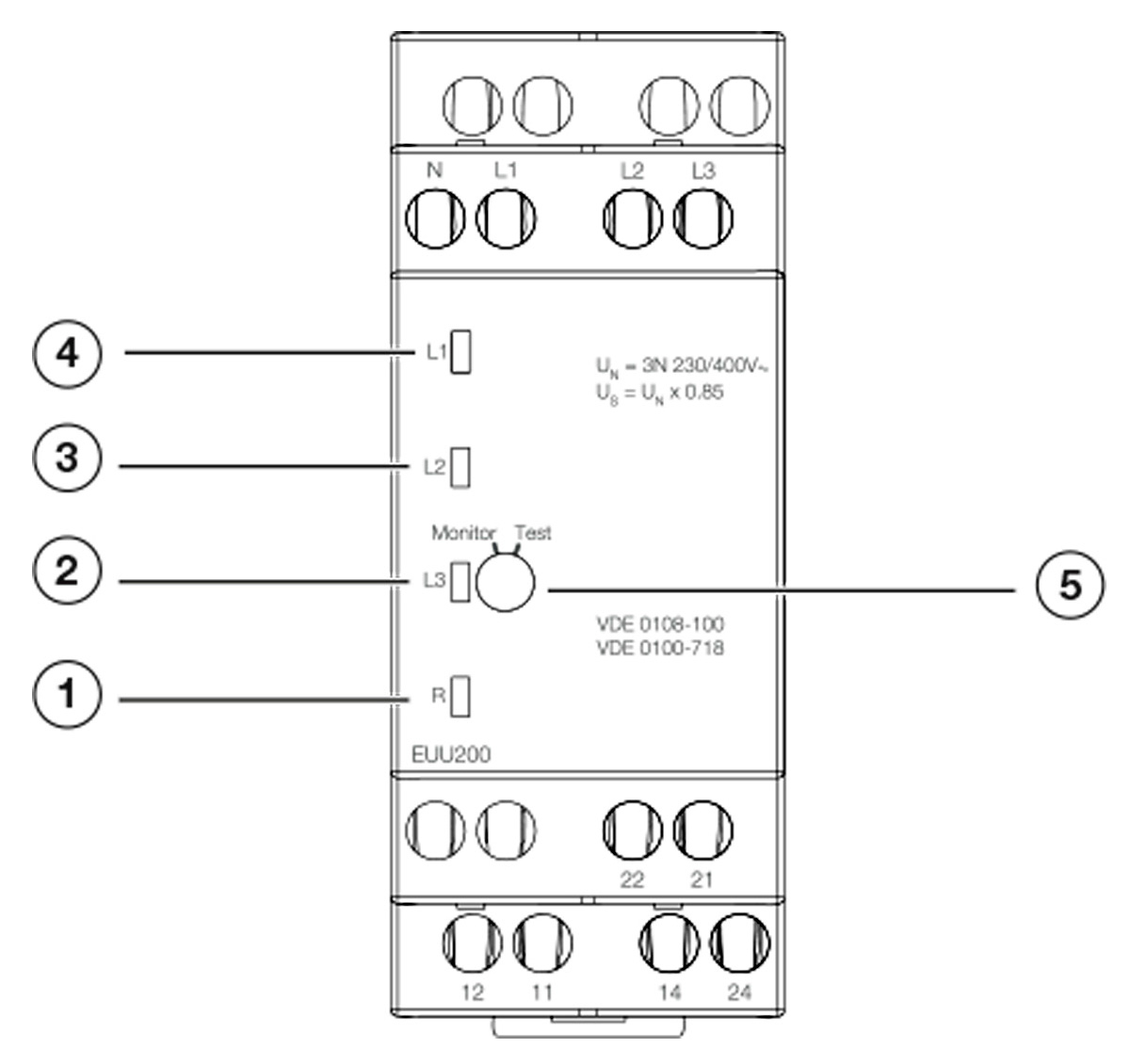
Індикація та керування реле

  1. Контрольний індикатор стану вихідного реле (R).
  2. Контрольний індикатор напруги живлення L1-N.
  3. Контрольний індикатор напруги живлення L2-N.
  4. Контрольний індикатор напруги живлення L3-N.
  5. Функція тестування.

Хагер Налаштування реле Hager EUU200

Схема підключення до 1 фази

Хагер Як підключити реле Hager EUU200 до однофазної мережі

Схема підключення до 3 фаз

Хагер Як підключити реле Hager EUU200 до трифазної мережі

  • Пропозиція: Premium, Professional
  • Особливості: Модульний
  • Призначення: Побутове, Промислове, Для двигуна
  • Тип пристрою: Реле захисту напруги
  • Мережа: 1 фаза, 3 фази
  • Струм котушки управління: AC (змінний струм)
  • Положення контактів: 2 ПК
  • Обладнання: Реле контролю напруги
  • Номінальний струм комутації: 5 А
  • Функціональність: Контроль напруги
  • Резервне живлення: Ні
  • Основні функції реле: Контроль мінімальної напруги
  • Місце встановлення: У електрощиток
  • Дод. контакти: Ні
  • Номінальна напруга, V: 230
  • Контакт: 2ПК
  • Напруга котушки керування (AC): 230V (AC)
  • Нижня межа відключення (Umin), V: 195
  • Сертифікати: Сертифікація CE – європейська відповідність.
Задати питання Написати відгук

Переглянуті товари: