Реле контролю фаз та напруги без затр. на увімкн., 1P+N/3P(N) 2ПК, Hager (Хагер) EUM200

  • -20%
    • 9644
      5 733.00грн 4 586.40грн
    • Офіційний дистриб'ютор. Оптові продажі. Обмін/повернення.
      Співробітництво: Електрики, Дизайнери, Будівельні компанії...!

      Консультації. Підбір аналогів. Прорахунок специфікації.
      Важко вибрати електрику? Напишіть нам – допоможемо!

      Знижки! При замовленні від 1000 грн.
      Замовте на суму понад 1000 грн. і менеджер надасть знижку!

      Оплата. Зручним для Вас способом!
      При отриманні, переказ на картку, безготівка для фіз. та юр. осіб!

      Гарантія. 12 місяців від виробника.
      Надаємо гарантію від виробника на термін 12 місяців!

— Контроль напруги в 3-х та 1-фазній мережі з регульованими пороговими значеннями.
— Затримка запуску, контроль фази, відмова та послідовність фаз.
— Напруга живлення: 3(N)~ 400/230В
— Номінальне споживання: 11ВА (1.2Вт).
— Номінальна частота змінного струму: 50...60 Гц.
— Час відновлення: 500 мс.
— Падіння напруги: >20% напруги живлення.

Функції пристрою Hager

Пороги встановлюються за допомогою 5 потенціометрів, а 4 світлові індикатори надають інформацію про стан пристрою та встановлення.

Хагер Реле Hager EUM200 налаштування

Керування пристроєм

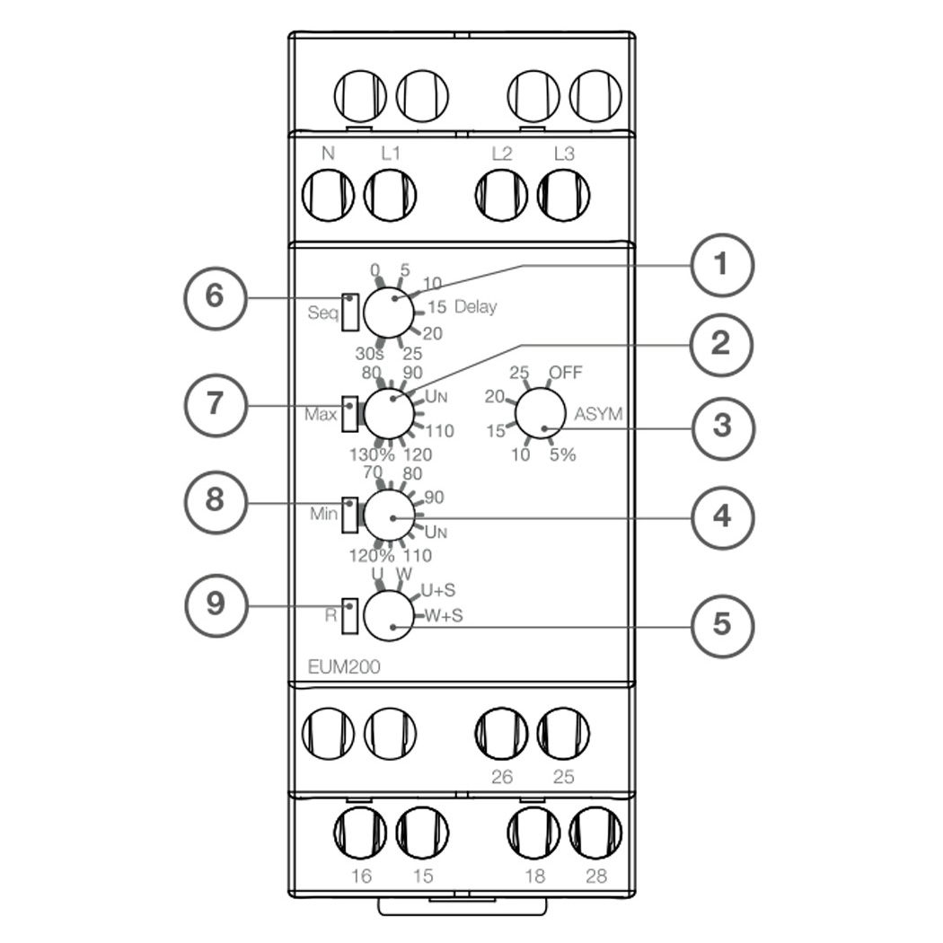
  1. Регульована затримка спрацьовування.
  2. Максимальне граничне значення (% від U ном.).
  3. Регульована асиметрія.
  4. Мінімальне граничне значення (% від U ном.)
  5. Вибір функції.
  6. Індикація помилки послідовності (червоний).
  7. Індикатор MAX (червоний).
  8. Індикатор MIN (червоний).
  9. Індикація стану вихідного реле R (жовтий).

Параметри контакту реле

  • Вихідний ланцюг: (2 безпотенційні перемикаючі контакти).
  • Номінальна напруга: 250 В ~.
  • Комутаційна здатність: 1250 ВА (5 А/250 В ~).

Ресурс*

  • Механічний: 20 х 106 циклів
  • Електричний: 2 х 105 циклів

* При резистивному навантаженні: 1000 ВА

Додаткові дані

  • Частота комутації: макс.6/хв при резистивному навантаженні 1000 ВА (згідно з IEC 60947-5-1)
  • Категорія перенапруги: III (згідно з IEC 60664-1)
  • Напруга ізоляції: 480V (МЕК 60947-5-1)
  • Номінальна імпульсна напруга: 4кВ
  • Випробовувальна напруга ізоляції: 1800 В (IEC 60947-5-1)

Клеми підключення

  • Поперечні перерізи:
    − з кінцевою втулкою для дроту: 1 х 0,5...2,5 мм² / 2 х 0,5...1,5 мм²
    − без гільзи для наконечників дроту: 1 х 4 мм² / 2 х 2,5 мм²

Поріг перемикання

  • Макс.: 80%...130% Un
  • Мін.: 70%...120% Un
  • Пропозиція: Premium, Professional
  • Особливості: Модульний
  • Призначення: Побутове, Промислове, Для двигуна
  • Тип пристрою: Реле захисту напруги
  • Мережа: 1 фаза, 3 фази
  • Струм котушки управління: AC (змінний струм)
  • Положення контактів: 2 ПК
  • Обладнання: Реле контролю напруги, Реле контролю фаз
  • Номінальний струм комутації: 5 А
  • Функціональність: Контроль наявності фаз, Контроль напруги
  • Резервне живлення: Ні
  • Основні функції реле: Контроль напруги, Контроль обриву фаз, Контроль послідовності фаз
  • Місце встановлення: У електрощиток
  • Дод. контакти: Ні
  • Номінальна напруга, V: 250
  • Контакт: 2ПК
  • Верхня межа відключення (Umах): % від номінальної напруги
  • Напруга котушки керування (AC): 250 V
  • Нижня межа відключення (Umin), V: % від номінальної напруги
  • Сертифікати: Сертифікація CE – європейська відповідність.
Задати питання Написати відгук

Переглянуті товари: