Механізм перемикача 1-кл, Legrand in'Matic 752016, самозатискні клеми
-
Знижка до 25%
-
-
3195
Офіційний дистриб'ютор. Оптові продажі. Обмін/повернення.
Співробітництво: Електрики, Дизайнери, Будівельні компанії...!Консультації. Підбір аналогів. Прорахунок специфікації.
Важко вибрати електрику? Напишіть нам – допоможемо!Знижки! При замовленні від 1000 грн.
Замовте на суму понад 1000 грн. і менеджер надасть знижку!Оплата. Зручним для Вас способом!
При отриманні, переказ на картку, безготівка для фіз. та юр. осіб!Гарантія. 12 місяців від виробника.
Надаємо гарантію від виробника на термін 12 місяців!
-
Опис та технічні параметри механізму Legrand in'Matic 752016
– Механізм одноклавішного перемикача in'Matic.– Використовується з лицьовими панелями і рамками Valena Life і Valena Allure (купуються окремо).
– У комплекті постачається супорт для монтажу і прозора кришка для захисту від забруднень при оздоблювальних роботах.
– Додатково можливе підсвічування (лампа 067684) та індикація (лампа 665091).
Технічні параметри:
– Схема: увімкнення / відключення одного джерела світла з одного, двох і більше місць.– Установка: внутрішня (в монтажну коробку).
– Номінальна напруга: 250V ~
– Номінальне навантаження: 10AX
– Клеми: безгвинтові затискачі (самозатиск).
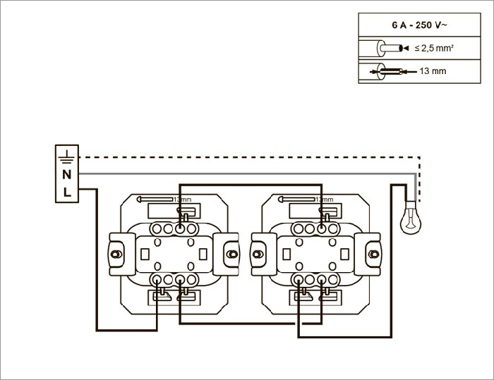
Схема підключення механізму перемикача 752016

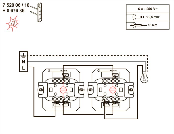
Підключення з лампою підсвічування 067686

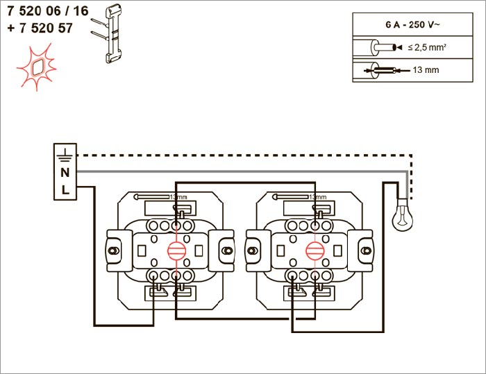
Підключення з лампою індикації 752057

Артикул товару: 752016
- Тип установки: Внутрішній
- Виробник: Legrand
- Країна бренду: Франція
- Країна виробництва: Угорщина
- Ступінь захисту IP: IP20
- Серія: Valena Allure, Valena Life
- Номінальна напруга: 250 V~
- Тип кріплення провідника: Автоматичний
- Збірка виробу: Механізм
- Номінальне навантаження: 10 VA
- Вимикачі: Перемикачі 1-кл
- Підсвітка: Додатково можливо
- Підсвітка/індикація: Додатково можлива
- Пропозиція: Standart
- Сертифікати: Сертифікація CE – європейська відповідність.