Контактор 3-полюсний - «EasyPact» 32 Аа, 230V ~ Schneider Electric LC1E3210M5

  • Контактор 3-полюсний - «EasyPact» 32 Аа, 230V ~ Schneider Electric LC1E3210M5
    • 7699
      2 346.00грн
    • Офіційний дистриб'ютор. Оптові продажі. Обмін/повернення.
      Співробітництво: Електрики, Дизайнери, Будівельні компанії...!

      Консультації. Підбір аналогів. Прорахунок специфікації.
      Важко вибрати електрику? Напишіть нам – допоможемо!

      Знижки! При замовленні від 1000 грн.
      Замовте на суму понад 1000 грн. і менеджер надасть знижку!

      Оплата. Зручним для Вас способом!
      При отриманні, переказ на картку, безготівка для фіз. та юр. осіб!

      Гарантія. 12 місяців від виробника.
      Надаємо гарантію від виробника на термін 12 місяців!

Докладний опис контактора «EasyPact» Schneider Electric LC1E3210M5

Контактор LC1E3210M5 1 але 32А 400В AC3 220В / 50Гц розроблений на базі відомих європейських пускачів серії TeSys D і є їх спрощеної модифікацією.

Технічні параметри

— Номінальна потужність комутації: 32 Ампера.
— Кількість і положення контактів: 3 Відкритих в нормальному положенні (3Н.O).
— Управління (котушкою): 230 V~ (AC)

Додатково:

— 1 Контакт (нормально відкритий).

Застосовуються для управління:

— всіма типами двигунів при нормальному або інтенсивному режимі роботи.
— резистивним, індуктивними і ємнісними ланцюгами при нагріванні, освітленні, корекції коефіцієнта потужності, в трансформаторах, при нормальному режимі роботи або режимі очікування.
Маркування пускачів серії LC1 E

Магазин електрики - Schneider Electric таблиця

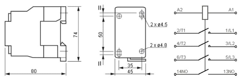
Установчі розміри і принципова електрична схема

Магазин електрики - Schneider Electric контактор 3-П EasyPact розміри габарити

Артикул товару: LC1E3210M5

  • Виробник: Schneider Electric
  • Країна бренду: Франція
  • Країна виробництва: Китай
  • Серія: EasyPact
  • Пропозиція: Ekonom
  • Тип товару: Контактор
  • Номінальний струм, А: 32
  • Струм котушки управління: AC (змінний струм)
  • Положення контактів: 3 Н.О
  • Номінальний струм комутації: 30 А
  • Тип контактора: силовий
  • Дод. контакти: 1 Н.О
  • Сертифікати: Сертифікація CE – європейська відповідність.
Задати питання Написати відгук

Переглянуті товари: