Астрономічний таймер ASTROCLOCK-2 ETI 2472051

  • Астрономічний таймер ASTROCLOCK-2 ETI 2472051
    • 9721
      4 311.80грн
    • Офіційний дистриб'ютор. Оптові продажі. Обмін/повернення.
      Співробітництво: Електрики, Дизайнери, Будівельні компанії...!

      Консультації. Підбір аналогів. Прорахунок специфікації.
      Важко вибрати електрику? Напишіть нам – допоможемо!

      Знижки! При замовленні від 1000 грн.
      Замовте на суму понад 1000 грн. і менеджер надасть знижку!

      Оплата. Зручним для Вас способом!
      При отриманні, переказ на картку, безготівка для фіз. та юр. осіб!

      Гарантія. 12 місяців від виробника.
      Надаємо гарантію від виробника на термін 12 місяців!

Астрономічний таймер ASTROCLOCK-2 – цифровий астрономічний таймер дозволяє автоматично керувати ввімкненням різного типу навантажень (освітленням) залежно від географічного розташування (широти та довготи в даній місцевості) та від часу сходу та заходу сонця.

Технічні характеристики:

  • Напруга живлення/допуск Un: AC 230V/50 Hz / ±10%
  • Резерв ход:у 4 роки (без підключення до мережі) 48 год (без батареї та без підключення до мережі).
  • Втрати потужності: 16VA (1.3W).
  • Дисплей: ЖК дисплей із підсвічуванням.
  • Автомат. перехід на літній / зимовий час :так.
  • Астрономічне регулювання: щоденно.
  • Комутація за програмами: SUNRISE, SUNSET, FIXED TIME: ON/OFF, REDUC.
  • Кількість комірок пам'яті: 40.
  • Точність ходу (відхил.точн.ходу при зміні tº: ± 0.15 с /ºC/24год): ±1с за день при 23 °C.
  • Кількість контактів (номінальний струм): 2 перекидних (AgSnO2) (16А АС1).
  • Комутуюча потужність: див. таблицю навантажень.
  • Номінальна імпульсна напруга Uimp: 2,5 kV.
  • Робочий діапазон температур: -10...+45o C.
  • Можливість пломбування: так.
  • Акумулятор / можливість заміни: CR2032 - 3V - 220mAh/ так.
  • Переріз провідників: макс. 4мм2.
  • Розміри: 88 x 35 x 65 мм.
  • Відповідність стандартам: EN 60730-1:2011, EN 60730-2-7:2010

Опис дісплея

  1. Шкала часу
  2. Хронограма часу
  3. Текстовий рядок
  4. Індикація сходу сонця
  5. Індикація рівня заряду батареї
  6. Час/Дата
  7. Стан каналу С1
  8. Меню вниз / С1 -ручне управління
  9. Меню вгору/ С2 - ручне управління
  10. Відміна вибору / Повернення до меню
  11. Збереження вибору / Повернення до меню
  12. Стан каналу С2
  13. Ручне управління (символ миготить) / Увімкнено (символ не миготить)
  14. Формат часу "12/24"
  15. Індикація заходу сонця.
  16. Дні тижня

Функції таймера ASTROCLOCK-2

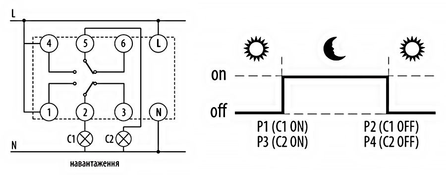
Схема підключення

Як підключити таймер ASTROCLOCK-2

Габаритні розміри та таблиця навантажень

Розміри таймера ASTROCLOCK-2

  • Пропозиція: Professional, Standart
  • Особливості: Астрономічна програма, З дисплеєм
  • Тип: Таймер
  • Тип реле: Таймер електронний
  • Струм котушки управління: AC (змінний струм)
  • Положення контактів: 2 ПК
  • Обладнання: Таймер
  • Номінальний струм комутації: 16 А
  • Функціональність: Астрономічна програма, Річна програма, Місячна програма, Тижнева програма, Добова програма
  • Резервне живлення: Так
  • Місце встановлення: DIN-рейка
  • Дод. контакти: Ні
  • Вага, кг: 0.166
  • Напруга котушки керування (AC): 230V (AC)
  • Матеріал контакту: AgSnO2
Задати питання Написати відгук

Переглянуті товари: