Реле контроля напряжения Hager EU301 3-фазное
-
Скидка до 25%
-
-
6470
Официальный дистрибьютор. Оптовые продажи. Обмен/возврат.
Сотрудничество: Электрики, Дизайнеры, Строительные компании...!Консультации. Подбор аналогов. Просчет спецификации.
Трудно выбрать электрику? Напишите нам — поможем!Скидки! При заказе от 1000 грн.
Закажите на сумму свыше 1000 грн., и менеджер предоставит скидку!Оплата. Удобным для Вас способом!
При получении, перевод на карту, безнал для физ. и юр. лиц!Гарантия. 12 месяцев от производителя.
Предоставляем гарантию от производителя на срок 12 месяцев!
-
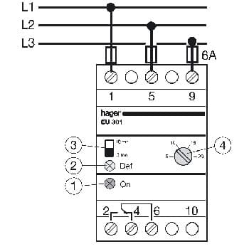
Контроль понижения/повышения напряжения
Значение предельного превышения и понижения напряжения устанавливается в % от номинального напряжения от 5 до 20 %, например установленное значение 10% - реле будет срабатывать при V=360 B., при нонижении напряжения и при V=440 В., при повышении напряжения.
Время прехода в рабочий режим (t1) может быть 5 или 10 сек
При падении или возрастании напряжения сети выше указанного уровня, реле отключит потребителя от сети на время, указанное переключателем задержки времени, 5 или 10 минут, и начнет мигать индикатор аварийного состояния. По истечении времени задержки реле проверит уровень напряжения и, если напряжение будет соответствовать норме, замкнет контакты (6 и 2). Если по истечении времени задержки напряжение не соответствует норме,индикатор аварийного состояния начнет постоянно светиться. При восстановлении напряжения реле автоматически замкнёт контакты (6 и 2).
Примечание:
При подключении реле к сети начнет мигать индикатор аварийного состояния, так как реле воспринимает подключение к сети как скачок напряжения и размыкает контакты (6 и 2) на время задержки. По истечении времени задержки реле перейдет в нормальное состояние.
Технические данные:
Номинальное напряжения Vn;~400 В 50/60 Гц
Потребляемая мощность 3 ВА
Рабочая температура -20 +55 °С
Степень защиты IP от пыли и влаги: IP20
Мощность контактов: 8 А ~250 В

Значение предельного превышения и понижения напряжения устанавливается в % от номинального напряжения от 5 до 20 %, например установленное значение 10% - реле будет срабатывать при V=360 B., при нонижении напряжения и при V=440 В., при повышении напряжения.
Время прехода в рабочий режим (t1) может быть 5 или 10 сек
При падении или возрастании напряжения сети выше указанного уровня, реле отключит потребителя от сети на время, указанное переключателем задержки времени, 5 или 10 минут, и начнет мигать индикатор аварийного состояния. По истечении времени задержки реле проверит уровень напряжения и, если напряжение будет соответствовать норме, замкнет контакты (6 и 2). Если по истечении времени задержки напряжение не соответствует норме,индикатор аварийного состояния начнет постоянно светиться. При восстановлении напряжения реле автоматически замкнёт контакты (6 и 2).
Примечание:
При подключении реле к сети начнет мигать индикатор аварийного состояния, так как реле воспринимает подключение к сети как скачок напряжения и размыкает контакты (6 и 2) на время задержки. По истечении времени задержки реле перейдет в нормальное состояние.
Технические данные:
Номинальное напряжения Vn;~400 В 50/60 Гц
Потребляемая мощность 3 ВА
Рабочая температура -20 +55 °С
Степень защиты IP от пыли и влаги: IP20
Мощность контактов: 8 А ~250 В

- Продажа Оптом и в розницу
- Выгодная система скидок
- Консультации при выборе
- Подбор аналогов и Просчет спецификации
- Производитель: Hager
- Страна бренда: Германия
- Страна производства: Франция
- Предложение: Premium, Professional, Standart
- Назначение: Бытовое
- Тип товара: Реле
- Номинальный ток, А: 5
- Сеть: 3 фазы
- Основные функции реле: Контроль напряжения
- Место установки: В электрощиток
- Сертификаты: Сертификация CE — европейское соответствие.