Переключатель вольтметра Hager SK603, 4-позиционный, 400 В/ 20 А, 3м

  • Скидка до 25%
    Переключатель вольтметра Hager SK603, 4-позиционный, 400 В/ 20 А, 3м
    • 6404
    • Официальный дистрибьютор. Оптовые продажи. Обмен/возврат.
      Сотрудничество: Электрики, Дизайнеры, Строительные компании...!

      Консультации. Подбор аналогов. Просчет спецификации.
      Трудно выбрать электрику? Напишите нам — поможем!

      Скидки! При заказе от 1000 грн.
      Закажите на сумму свыше 1000 грн., и менеджер предоставит скидку!

      Оплата. Удобным для Вас способом!
      При получении, перевод на карту, безнал для физ. и юр. лиц!

      Гарантия. 12 месяцев от производителя.
      Предоставляем гарантию от производителя на срок 12 месяцев!

Техническая информация:
4 положений
номинальные показатели: 20 A - 400 В~
для трехфазной сети с нейтральным проводником
Замеры на каждую фазу с положением 0. Применяется с измерительным преобразователем тока.
Монтаж: на din-рейку
Количество занимаемых мест в щите: 3
Артикул товара: SK603
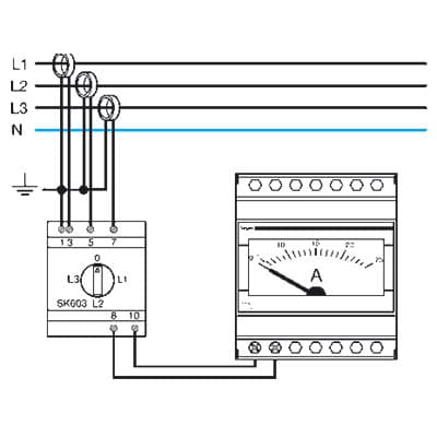
ПРИМЕР ПОДКЛЮЧЕНИЯ ПЕРЕКЛЮЧАТЕЛЯ SK603 К ВОЛЬТМЕТРУ HAGER SM500

Магазин розеток - Схема подключения переключателя Hager sk603 к вольтметру Hager SM500

ПРИМЕР ПОДКЛЮЧЕНИЯ ПЕРЕКЛЮЧАТЕЛЯ SK603 К ВОЛЬТМЕТРУ HAGER SM501, SM151, SM601

Магазин розеток - Схема подключения переключателя Hager sk603 к вольтметру Hager SM501

  • Продажа Оптом и в розницу
  • Выгодная система скидок
  • Консультации при выборе
  • Подбор аналогов и Просчет спецификации
  • Производитель: Hager
  • Страна бренда: Германия
  • Страна производства: Германия
  • Предложение: Standart
  • Назначение: Вольтметр, Переключатели режимов
  • Тип товара: Переключатель
  • Номинальный ток, А: 20
  • Сеть: 3 фазы
  • Прямое подключение: Да
Задать вопрос Написать отзыв